Ultra-precision Filtration Coolant System

Ultra-precision Filtration Coolant System

Ultra-precision filtration system that uses steel balls as the filter medium. The filter media is automatically cleaned by performing operations on the touch panel. Optimum for grinding sludge processing on honing machines and super-finishing machines.

Features

Coolant

Water soluble Oil-based

Category

Magnetic material

Processing Details

Grinding

Work Material

FC/FCD Steel

Grinding Chip Size

Ultrafine particles (5 μm to 10 μm) Fine particles (10 μm to 100 μm)

Chip Shape

Machine Tool

Honing machine Super finishing machine (Super finisher)

Mechanism

Mechanism image Mechanism image Mechanism image Mechanism image Mechanism image Mechanism image
  1. The dirty liquid flows onto the conveyor.
  2. The dirty liquid is filtered when it passes through the rotating sintered material filter. The clean liquid is sent from the inside of the sintered material filter to the outside of the main body.
  3. Chips adhering to the surface of the sintered material filter are shower-cleaned from the outside of the filter. Clogging is prevented by showering the filter that has come out of the liquid and performing automatic cleaning.
  4. Chips that have settled on the bottom of the conveyor are conveyed by the scraper.
  5. Chips are temporarily stored in the conveyor outlet, drained, and then discharged.

Specifications

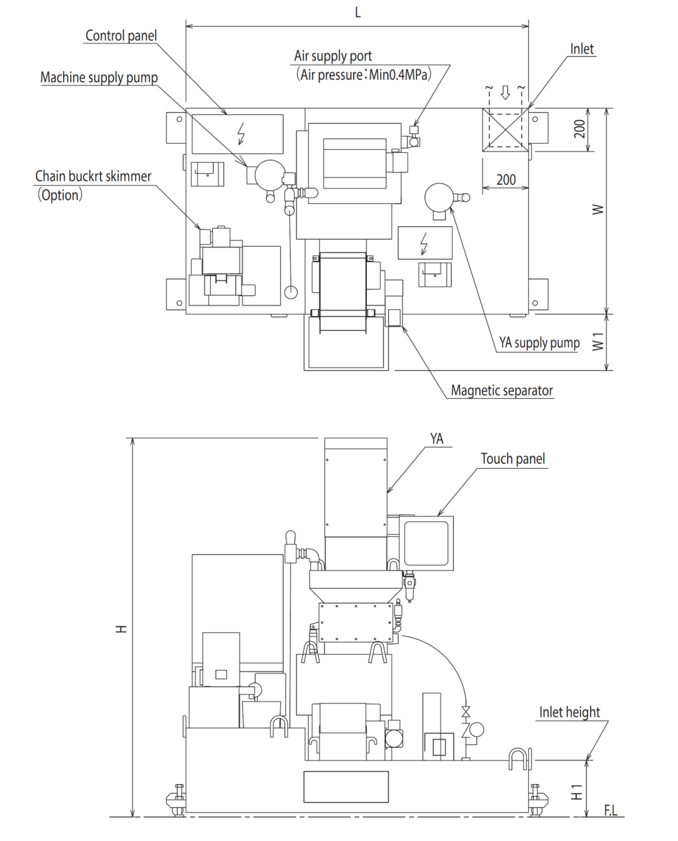
Dimensional drawing

Dimensional drawing

Dimension table

Dimension table

Filtration accuracy

5 μm 90% or more

* The filtration accuracy is based on the results of our experiments, and does not imply that this level of accuracy is guaranteed.

Sludge distribution status

Machine tool: Grinding machine
Coolant: Water soluble
Processing flow rate: 50 L/min
Chip material: FC

Sludge distribution

Processing flow rate

Product weight

* The product weight varies depending on the specifications, options, etc.

Paint color

Silver gray (Munsell No. N-8.0)

* For information about the specified color, please consult us.

Geared motor

100W

Options

* Please contact us for details.

Model code

Model code image

* Photos are product images for illustration purposes only. Specifications differ from the actual product.
* The filtration accuracy is based on the results of our experiments, and does not imply that this level of accuracy is guaranteed.
* The specifications and dimensions are subject to change without notice.
* For information about custom products other than standard products, please consult us.

Mechanism

  1. Array
  2. Array

Specifications

Filtration accuracy / Processing flow rate / Model code

Model Code

Product weight

* The product weight varies depending on the specifications, options, etc.

Paint color

Silver gray (Munsell No. N-8.0)

* For information about the specified color, please consult us.

Product Photo (Example)


* The filtration accuracy is based on the results of our experiments, and does not imply that this level of accuracy is guaranteed.
* The specifications and dimensions are subject to change without notice.
* When the oil viscosity exceeds 50 mm 2/s, please consult us.
* For details on how to select the supply pump, please contact us.
* For information about custom products other than standard products, please consult us.

Product Introduction Video

* Photos are product images for illustration purposes only. Specifications differ from the actual product.
* The filtration accuracy is based on the results of our experiments, and does not imply that this level of accuracy is guaranteed.
* The specifications and dimensions are subject to change without notice.
* For information about custom products other than standard products, please consult us.